EN
邮箱验证
您的邮箱:
验 证 码:
SAP082B
双通道低功耗运放

SAP082B由两个独立的高压JFET输入,频率补偿运算放大器组成,设计用于在宽电压范围内从单个电源工作。如果两个电源之间的差异为10V至30V,则可以从分裂电源操作。该器件具有高转换速率、低输入偏置和偏置电流以及低偏置电压温度系数的特点。

主要特点
  • 宽单电源范围:10V~30V

  • 宽共模和差分电压范围

  • 低输入偏置和偏置电流

  • 高输入阻抗:JFET输入级

  • 共模输入电压范围包括VCC+

  • 内部频率补偿


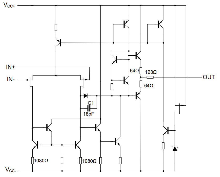
内部框图

image.png

封装外形图