EN
邮箱验证
您的邮箱:
验 证 码:

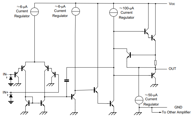
SA324由四个独立的,高增益,频率补偿的运算放大器组成,设计用于在宽电压范围内从单个电源运行。如果两个电源之间的差值为3V至32V,并且VCC比输入共模电压至少高出1.5V,则可以从分离电源进行操作,低电源电流与电源电压的大小无关。

主要特点
  • 宽单电源电压范围:3V~32V

  • 低工作电流:0.7mA(典型值)

  • 共模输入电压低至地

  • 低输入偏置电流和失调电压

  • 差模输入电压范围等于最大工作电压32V

  • 开环差模电压增益:100mV/V

  • 内置频率补偿

  • ESD额定值(HBM):2KV

内部框图

image.png