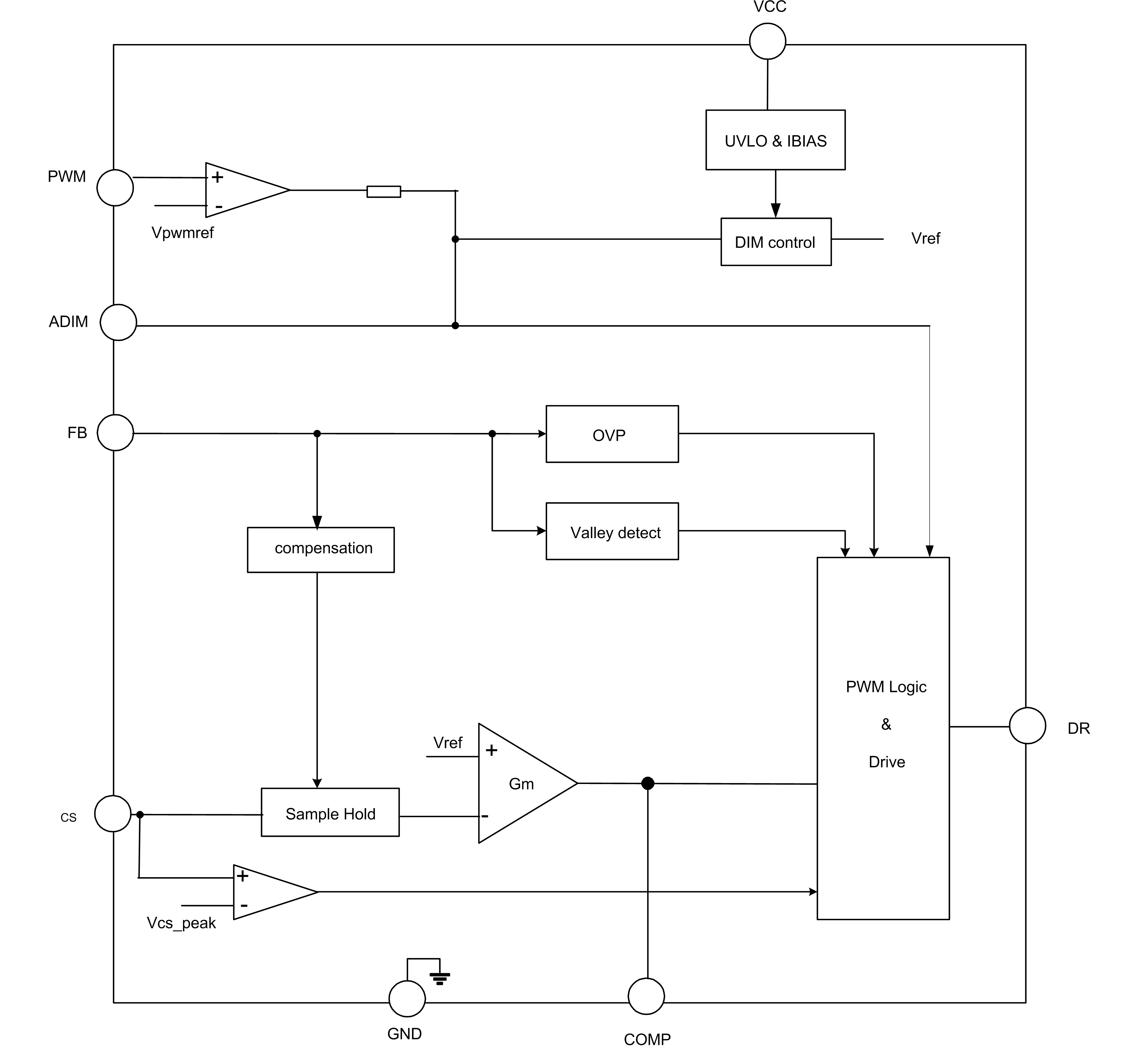
SD7880A是一款具有调光功能的单级原边控制高功率因数LED驱动电路,该电路兼容PWM和线性调光功能,且调光深度可达5%,它主要应用于隔离反激式LED智能照明系统。
SD7880A能够提供精确的恒流控制,工作在临界导通模式,具有非常高的效率。它采用原边控制模式,可以省去光耦、次级反馈控制以及环路补偿,简化设计,降低成本。
SD7880A带有完整的保护功能,例如LED短路保护,LED开路保护,过温保护,等等。
5%-100%的调光范围
原边控制反激系统
临界导通模式
低启动电流
前沿消隐
VCC过压保护
VCC欠压锁定
过温保护
LED短路保护和LED开路保护
| 亚搏网页版名称 | 封装形式 | 打印名称 | 环保等级 | 包装 | 备注 |
|---|---|---|---|---|---|
| SD7880A | SOP-8-225-1.27 | / | 无卤 | 料管 | |
| SD7880ATR | SOP-8-225-1.27 | / | 无卤 | 编带 |

| 标题 | 类型 | 大小 (KB) | 日期 | 下载最新中文版本 |
|---|---|---|---|---|
| SD7880A | 338 | 2024-09-06 | SD7880A 简要版说明书 |