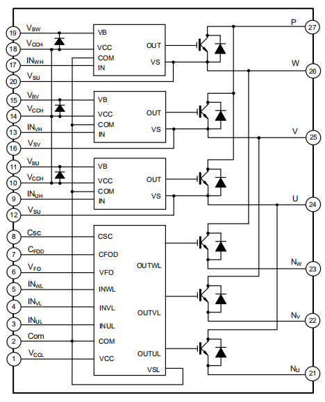
SD20M60AC 是高度集成、高可靠性的 3 相无刷直流电机驱动电路,主要应用于较低功率的变频驱动,如空调、洗碗机、工业缝纫机等。其内置了 6 个低损耗的 IGBT 管和 3 个高速半桥高压栅极驱动电路。
SD20M60AC 内部集成了欠压、短路、过温等各种电路,提供了优异的保护和宽泛的安全工作范围。由于每一相都有一个独立的负直流端,其电流可以分别单独检测。
SD20M60AC 采用了高绝缘、易导热的设计,提供了非常紧凑的封装体,使用非常方便,尤其适合要求紧凑安装的应用场合。
内置 6 个 600V/20A 的低损耗 IGBT;
内置高压栅极驱动电路;
内置欠压保护和过温、过流保护;
内置自举二极管;
完全兼容 3.3V 和 5V 的 MCU 的接口,高电平有效;
3 个独立的负直流端用于变频器电流检测的应用;
报警信号:对应于低侧欠压保护和短路保护;
封装体采用 DBC 设计,热阻极低;
绝缘级别:2500Vrms/min。
| 亚搏网页版名称 | 封装形式 | 打印名称 | 环保等级 | 包装 | 备注 |
|---|---|---|---|---|---|
| SD20M60AC | DIP-27H | SD20M60AC | 无卤 | 料管 |

| 标题 | 类型 | 大小 (KB) | 日期 | 下载最新中文版本 |
|---|---|---|---|---|
| SD20M60AC | 287 | 2024-04-15 | SD20M60AC简要版说明书 |