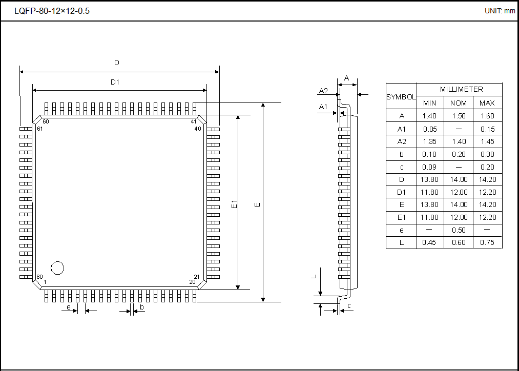
LQFP-80-12×12-0.5