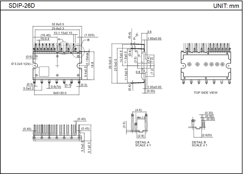
SDIP-26D