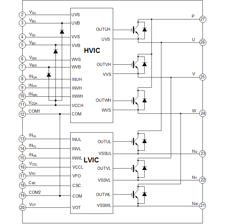
SDM06LF60TA2是高度集成、高可靠性的三相无刷直流电机驱动电路,主要应用于较低功率的变频驱动,如风机、水泵、冰箱等。其内置了3相全桥高压栅极驱动电路和6个低损耗IGBT管。
SDM06LF60TA2内部集成了欠压、短路、过温、温度监控输出等各种保护功能,提供了优异的保护和宽泛的安全工作范围。由于每一相都有一个独立的负直流端,其电流可以分别单独检测。
SDM06LF60TA2采用了高绝缘和易导热设计,提供了非常紧凑的封装体,使用非常方便,尤其适合要求紧凑安装的场合。
内置6个低损耗600V/6A低损耗IGBT
内置高压栅极驱动电路(HVIC)
内置欠压保护和过温、过流保护和温度输出
内置带限流电阻的自举二极管
完全兼容3.3V和5V的MCU的接口,高电平有效
3个独立的负直流端用于变频器电流检测的应用
报警信号:对应于低侧欠压保护和短路保护
绝缘级别:2000Vrms/min
| 亚搏网页版名称 | 封装形式 | 打印名称 | 环保等级 | 包装 | 备注 |
|---|---|---|---|---|---|
| SDM06LF60TA2 | SDIP-26D | SDM06LF60TA2 | 无卤 | 料管 |

| 标题 | 类型 | 大小 (KB) | 日期 | 下载最新中文版本 |
|---|---|---|---|---|
| SDM06LF60TA2 | 341 | 2024-07-25 | SDM06LF60TA2 简要版说明书 |